发布成功
赞赏金额:
支付金额:5元
支付方式:
赞赏成功!
你的赞赏是对作者最大的肯定~?
通过在点火钥匙中内装有芯片,每个芯片内都装有固定的ID,只有钥匙芯片的ID与发动机的ID相匹配时,汽车才能启动。如果不一致,发动机无法启动。
当车主转动钥匙发动车辆时,基站发射低频信号开始认证过程。钥匙端应答器工作能量由基站低频信号提供,在认证过程中,置于钥匙中的应答器首先发送自身的ID号,通过基站芯片的验证,基站会发出一串随机数和MAC地址,同时应答器作出回应。为了提高安全性,每次发送的信号都是经过加密的数据。 IMMO主要通过引擎控制单元ECU来控制发动机,整个方案包括低频收发器、MCU、稳压器和通信接口芯片(例如CAN、LIN收发器)。在尺寸的限制下,NXP推出新一代的单芯片解决方案{ABIC2},将这些芯片用一块专用IC来实现。它包括了LIN收发器、稳压器及数字逻辑单元,实现了单芯片的远程ECU通讯,只需要三根线(Power、GND和LIN)就可以实现IMMO功能。

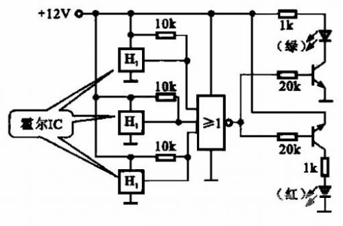
上图所示为一种公共汽车门状态检测电路,该电路主要是由三只霍尔传感器构成的,适用于各种汽车中对其门状态的指示。三只霍尔传感器分别安装在公共汽车门的门框上,并在车门适当的位置安装有磁体。当车门处于打开状态时,磁体距离霍尔传感器较远使其输出端输出高电平。若三个霍尔传感器任意一个检测到门未关或未锁好,则或非门输出低电平,红色指示灯亮;若三个传感器均输出高电平,与非门输出高电平,绿色指示灯亮,实时呈现车门当前状态。
推荐阅读: